○むつ市陶芸品生産施設条例施行規則

平成17年3月11日

規則第40号

(趣旨)

第1条 この規則は、むつ市陶芸品生産施設条例(平成17年むつ市条例第28号。以下「条例」という。)の施行に関し必要な事項を定めるものとする。

(職員)

第2条 むつ市陶芸センター(以下「センター」という。)に所長及び必要な職員を置くことができる。

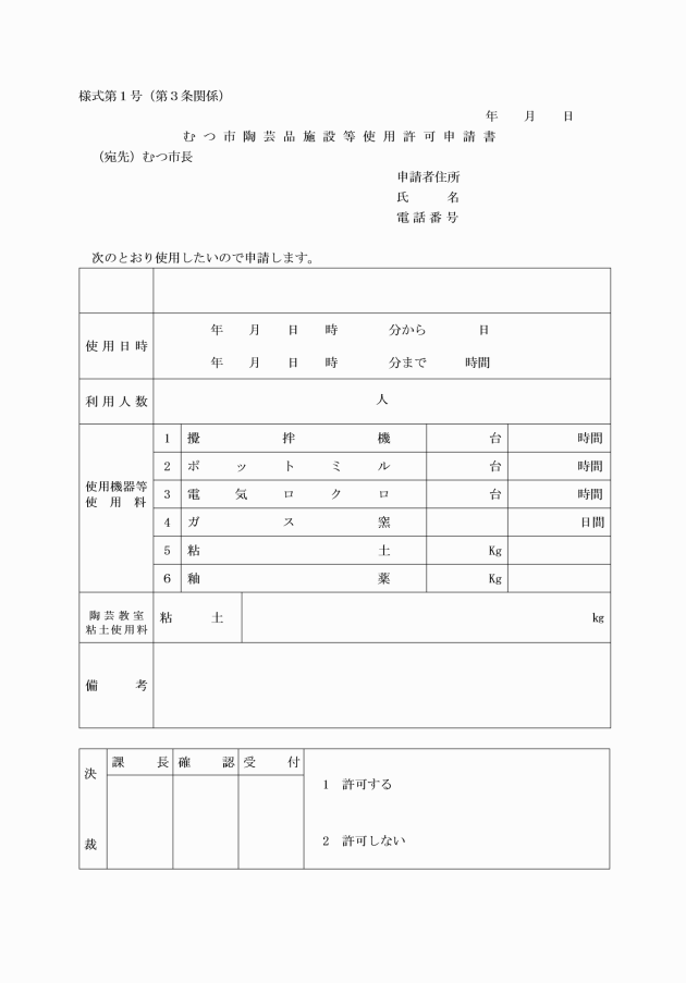
(使用の許可手続)

第3条 センターの陶芸教室を開催しようとする者及び機械器具を使用しようとする者は、使用の7日前までにむつ市陶芸品生産施設等使用許可申請書(様式第1号)を市長に提出し、その許可を受けなければならない。

2 市長は、センターの使用を許可するときは、申請者に対して、むつ市陶芸品生産施設等使用許可書(様式第2号)を交付する。

(使用料の額等)

第4条 条例別表の加工機器使用料及びガス窯使用料の市長の定める額並びに陶芸教室粘土使用料(以下「使用料」という。)は、別表のとおりとする。

2 使用料は、前納しなければならない。ただし、市長が特別の理由があると認めるときは、この限りでない。

(使用料の免除)

第5条 使用料の免除を受けようとするときは、むつ市陶芸品生産施設等使用料免除申請書(様式第3号)を市長に提出し、その決定を受けなければならない。

(使用者の義務)

第6条 使用者は、施設、設備等を許可の目的以外に使用し、又は使用する権利を他に譲渡し、若しくは転貸してはならない。

2 使用者は、故意又は過失により施設、設備等を毀損し、又は滅失したときは、使用者においてこれを原状に回復し、又は市長の定める損害額を賠償しなけばならない。

3 使用者が前項の債務を履行しないときは、市長においてこれを代行し、その費用を使用者から徴収するものとする。

4 使用者は、施設、設備等の使用を終わったときは、清掃及び整頓をし、引き渡さなければならない。

この規則は、平成17年3月14日から施行する。

(平成21年3月25日規則第14号抄)

(施行期日)

1 この規則は、平成21年4月1日から施行する。

(平成26年3月27日規則第29号)

この規則は、平成26年4月1日から施行する。

(令和3年3月31日規則第16号)

この規則は、令和3年4月1日から施行する。

(令和6年3月29日規則第27号)

この規則は、令和6年4月1日から施行する。

別表(第4条関係)

1 加工機器使用料

区分

単位

使用料

攪拌機

1台2時間

300円

ポットミル

1台2時間

100円

電気ロクロ

1台2時間

300円

粘土

1キログラム

150円

釉薬

1キログラム

80円

2 陶芸教室粘土使用料

単位

使用料

粘土0.5キログラム

ただし、絵付けのみを行う場合については、絵付用陶器1個当たり粘土0.5キログラムとして使用料を徴収するものとする。

1,000円

3 ガス窯使用料

区分

単位

使用料

ガス窯

5日間

30,850円

備考 ガス窯使用料は、貸切使用の場合に徴収する。

画像

画像

画像

むつ市陶芸品生産施設条例施行規則

平成17年3月11日 規則第40号

(令和6年4月1日施行)

体系情報
第9類 業/第3章
沿革情報
平成17年3月11日 規則第40号
平成21年3月25日 規則第14号
平成26年3月27日 規則第29号
令和3年3月31日 規則第16号
令和6年3月29日 規則第27号