○むつ市脇野沢総合運動場条例施行規則

平成17年3月11日

規則第79号

(趣旨)

第1条 この規則は、むつ市脇野沢総合運動場条例(平成17年むつ市条例第67号。以下「条例」という。)の施行に関し必要な事項を定めるものとする。

(開場時間)

第2条 むつ市脇野沢総合運動場(以下「総合運動場」という。)の開場時間は、午前9時から午後9時までとする。ただし、市長が必要と認めたときは、この限りではない。

(使用手続き等)

第3条 総合運動場の施設及び設備を使用しようとする者は、その3日前までにむつ市脇野沢総合運動場使用許可申請書(様式第1号)を市長に提出し、その許可を受けなければならない。

2 総合運動場において物品の販売その他営業をしようとする者は、むつ市脇野沢総合運動場営業行為等許可申請書(様式第2号)に次に掲げる書類を添えて市長に提出し、その許可を受けなければならない。

(1) 営業種目、販売品目、価格、料金及び営業時間その他営業に関する計画を記載した書類

(2) その他市長が必要と認める書類

3 市長は、前項に規定する申請書を受理したときはこれを審査し、支障がないと認めるときは、むつ市脇野沢総合運動場営業行為等許可書(様式第3号)を当該申請者に交付するものとする。

(総合運動場営業行為等の制限)

第4条 営業行為等について使用の許可を受けようとする者又は使用者が当該使用につき、次の各号のいずれかに該当する場合は、使用の許可を拒み、又は使用の許可を取り消し、若しくは使用の制限をすることができる。

(1) 公安又は良俗を乱すおそれがあると認めるとき。

(2) 施設、設備又は器具を損傷するおそれがあると認めるとき。

(3) その他施設の管理上支障があると認めるとき。

(施設及び設備のき損又は亡失の届出等)

第5条 総合運動場の施設又は設備の使用者が当該施設及び設備を汚損又はき損若しくは亡失したときは、速やかにその旨を市長に届け出なければならない。

2 市長は、前項の汚損又はき損若しくは亡失に係る使用者に対し損害賠償を命ずることができる。

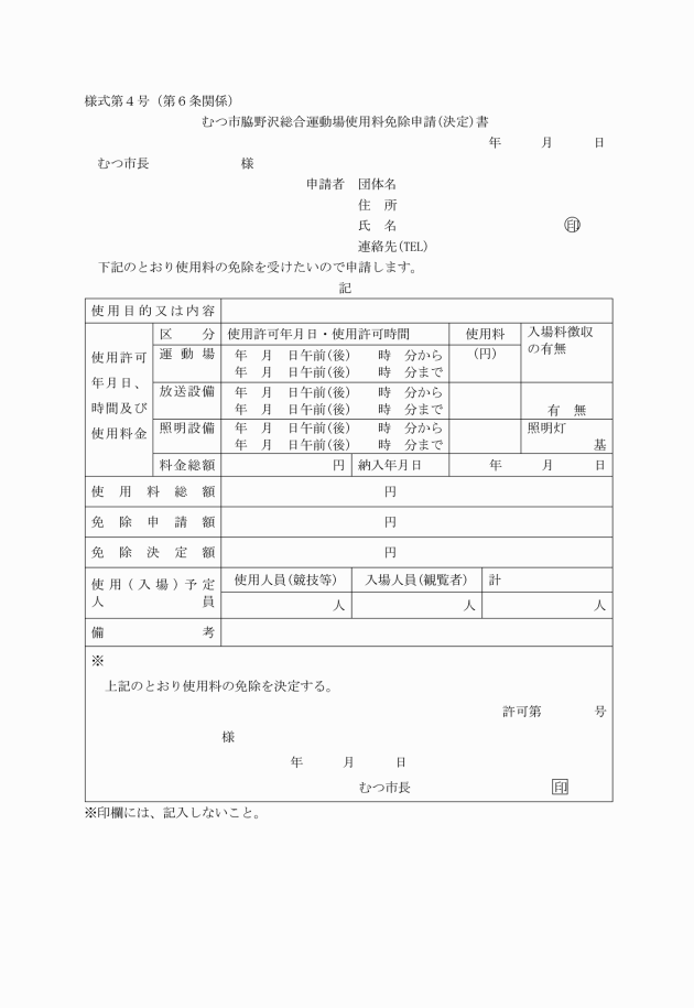
(使用料の免除手続き等)

第6条 条例第5条の規定により使用料の免除を受けようとする者は、むつ市脇野沢総合運動場使用料免除申請(決定)(様式第4号)を市長に提出しなければならない。

2 市長は、前項に規定する申請があった場合は、免除の可否を決定するものとする。

(特別設備等の許可)

第7条 条例第7条の規定により特別設備等の許可を受けようとする者は、むつ市脇野沢総合運動場特別設備等許可申請(許可)(様式第5号)に設備図面その他必要な書類を添えて市長に提出しなければならない。

2 市長は、前項に規定する申請書を審査し、支障がないと認めるときは、許可書を当該申請者に交付するものとする。

(秩序保持)

第8条 総合運動場の使用者及び参集者は、次の事項を遵守しなければならない。

(1) 他人に危害を及ぼし、又は迷惑となる行為はしないこと。

(2) 所定の場所以外において、飲酒、喫煙及び火気の使用を行わないこと。

(3) 使用後は、備品の整理整頓及び総合運動場の整備を怠らないこと。

(4) その他職員の指示に従うこと。

この規則は、平成17年3月14日より施行する。

(平成21年3月25日規則第14号抄)

(施行期日)

1 この規則は、平成21年4月1日から施行する。

画像

画像

画像

画像

画像

むつ市脇野沢総合運動場条例施行規則

平成17年3月11日 規則第79号

(平成21年4月1日施行)